
usb3.0插座是一種安全節電、帶USB接口的通用的插座,一般包括座體主體,在插座主體上設有USB母座,USB母座上設有聯動開關和USB插口,在插座主體內設有充電器模塊,充電器模塊的輸入端與聯動開關的輸出端并聯,其輸出端的正負極與USB插口的電源的正負極對應聯接,聯動開關的輸入端與電源端連接。USB插座系列產品包括:USB電源插座、貼片USB插座,usb3.0插座,USB2.0插座,百斯特USB插座分為兩種封裝:SMT貼片封裝、DIP插件封裝。USB插座根據內部結構的針數分為:MINI 4pin、5pin、8pin、10pin、14pin、16pin、18pin插座等。面對這么多規格型號的產品,可能大家不是很了解相關的參數知識以及家用USB插座使用注意事項,一般不同規格參數的產品的性能和用途都是有所不同的,下面就由小編來簡單為大家介紹幾款常見的產品吧!
(1)usb3.0插座_USB-A-05 3.0
usb3.0插座_USB-A-05 3.0_產品簡介:
usb3.0插座_USB-A-05 3.0是一種側插類型的USB插座,產品包括:SMT貼片封裝、DIP插件封裝,可根據封裝不同而不同,主要用途于藍牙耳機、數碼相機、手機、電腦、移動硬盤、音響等行業使用。
usb3.0插座_USB-A-05 3.0_技術參數:
插拔力:5~20N
分離:8~20N
耐電壓:500V AC at 1 minute
接觸電阻:≤0.04Ω
絕緣電阻:≥100MΩ
工作溫度:-40℃~85℃
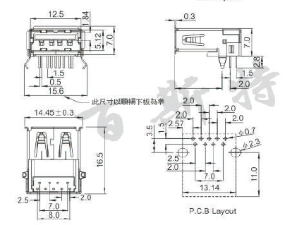
usb3.0插座_USB-A-05 3.0_參考圖紙:
(2)usb3.0插座_USB-A-06 3.0
usb3.0插座_USB-A-06 3.0_產品簡介:
usb3.0插座_USB-A-06 3.0為90度直插式usb母座,其產品包括:SMT貼片封裝、DIP插件封裝,可根據封裝不同而不同,主要用途于移動硬盤、藍牙耳機、音響、手機、電腦等使用。
usb3.0插座_USB-A-06 3.0_技術參數:
插拔力:5~20N
分離:8~20N
耐電壓:500V AC at 1 minute
接觸電阻:≤0.04Ω
絕緣電阻:≥100MΩ
工作溫度:-40℃~85℃
usb3.0插座_USB-A-06 3.0_參考圖紙:
(3)usb3.0插座_USB-A-08 3.0
usb3.0插座_USB-A-08 3.0_產品簡介:
usb3.0插座_USB-A-08 3.0為180度直插式usb母座,其底部的端腳有:彎腳和直腳兩種類型,可根據客戶要求不同而做。主要用途于手機、電腦、移動硬盤、藍牙耳機、音響等使用。
usb3.0插座_USB-A-08 3.0_技術參數:
插拔力:5~20N
分離:8~20N
耐電壓:500V AC at 1 minute
接觸電阻:≤0.04Ω
絕緣電阻:≥100MΩ
工作溫度:-40℃~85℃
usb3.0插座_USB-A-08 3.0_參考圖紙:
以上就是關于usb3.0插座的相關產品型號參數的介紹,除了以上的型號的usb3.0插座,我們還供應其他型號的產品,如:USB-A-09 3.0、USB-C-08 16PIN沉板、USB-C-09 24PIN沉板、USB-4T-05、USB-4T-09、USB-A2-02、USB-A2-03、USB-A-02 3.0、USB-A-09 3.0、USB-A-18、USB-A-21、USB-B-01 3.0、USB-MC-001-10等。由于時間關系,usb3.0插座的相關知識就先給大家講解到這里吧!

Copyright © 廣東精密龍電子科技有限公司 版權所有 粵ICP備17035144號 粵公網安備44130202001184號
全國服務電話:0755-83205533 傳真:0755-83761155
公司地址:深圳市龍崗區龍崗大道8288號深圳大運軟件小鎮45棟2樓

